Stainless Steel Ribbon Mixer for Yogurt Powder uses food-grade stainless steel as its core material, meeting the stringent hygiene and uniformity requirements of yogurt powder production. Addressing the challenges of yogurt powder production, such as its hygroscopic nature, oxidation, and the need for aseptic cleaning, we offer custom-made services, tailoring production to the characteristics of the materials, application scenarios, and mixing speeds. The product supports 24/7 operation and is available in 304 and 316 stainless steel, easily adapting to diverse customer production needs.

The Stainless Steel Ribbon Mixer for Yogurt Powder utilizes a core working principle of double-layered, counter-rotating spiral ribbons. A motor drives the main shaft via a reducer, causing the inner and outer spiral ribbons within the drum to move synchronously. The outer ribbon gathers the yogurt powder from both sides of the drum towards the center, while the inner ribbon pushes the material from the center outwards, creating a three-dimensional convection vortex. This allows the material to rapidly tumble, shear, and mix within the drum. The entire process is gentle and thorough, effectively preventing material clumping while maintaining the fineness of the yogurt powder. Uniform mixing is achieved without additional manual intervention.
The Stainless Steel Ribbon Mixer for Yogurt Powder boasts outstanding hygiene, uniform mixing, stable operation, and minimal material residue. It can handle various types of additives, is simple to operate, and reliable, effectively improving yogurt powder quality and production efficiency.

Stainless Steel Material: Made of food-grade 304 or 316L stainless steel, corrosion-resistant, easy to clean, and meets food industry hygiene standards, eliminating material contamination.
High Mixing Efficiency: Compared to traditional mixing equipment, mixing time is reduced by more than 30%, with low energy consumption, low noise, and stable operation.
No Dead Zones: The ribbon mixer fits tightly against the cylinder, resulting in extremely low material residue and reducing raw material waste.
Easy Operation: Supports one-button start/stop and variable frequency speed control, allowing for flexible adjustment of mixing parameters according to the characteristics of the yogurt powder raw materials.
High Adaptability: Compatible with various material mixing applications and supports non-standard customization to meet the personalized needs of different production capacities and processes.
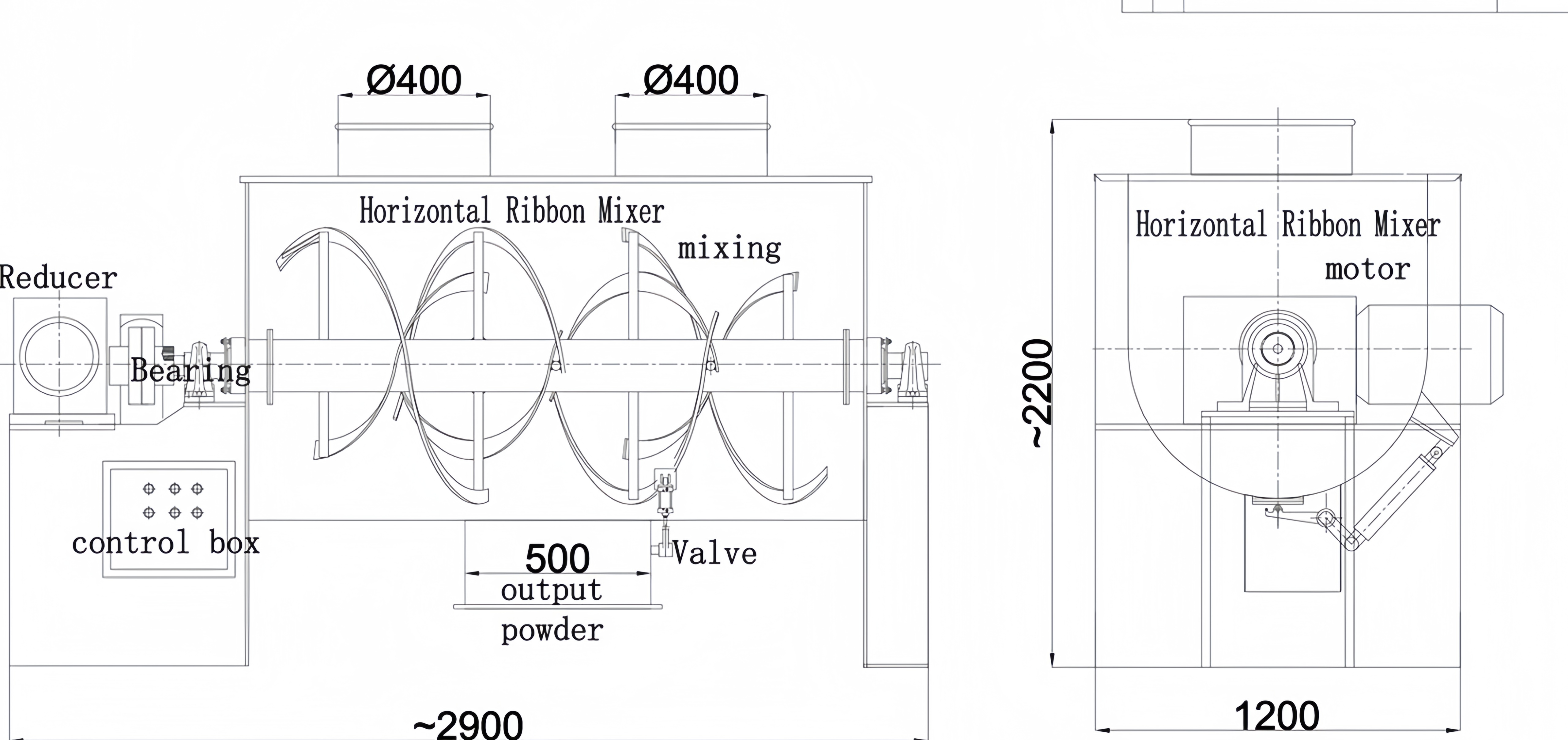
The Stainless Steel Ribbon Mixer for Yogurt Powder consists of six core parts: the machine body, U-shaped cylinder, ribbon mixing assembly, transmission system, inlet, outlet, and control system. The U-shaped elongated cylinder ensures minimal resistance during material movement, reducing material residue. The ribbon mixing assembly features a double-layer staggered design, made of wear-resistant stainless steel, making it resistant to deformation and wear. The transmission system uses a cycloidal reducer with direct drive, providing high torque and smooth operation, effectively extending the equipment's service life. The feed inlet is flush with the ground for easy and convenient feeding, while the discharge outlet uses a pneumatically operated large-opening structure for rapid and residue-free discharge. The control system is simple to operate and allows for real-time monitoring of the equipment's operating status.


| Model | LHY-0.25 | LHY-0.5 | LHY-1 | LHY-1.5 | LHY-2 | LHY-3 | LHY-4 | LHY-6 | LHY-8 | LHY-10 |
| One-time mixing (kg) | 100-150 | 200-300 | 400-600 | 600-900 | 800-1000 | 1200-1800 | 1600-2400 | 2400-3600 | 3200-4800 | 4000-6000 |
| Mixing time (min) | 8-20 | 8-20 | 8-20 | 8-20 | 8-20 | 8-20 | 8-20 | 8-20 | 8-20 | 8-20 |
| Mixing speed (r/min) | 60 | 55 | 45 | 40 | 35 | 25 | 25 | 20 | 15 | 15 |
| Motor power (kw) | 3-5.5 | 4-11 | 7.5-15 | 11-18.5 | 15-22 | 18.5-30 | 22-37 | 37-55 | 37-55 | 45-75 |
| Weight (kg) | 500 | 900 | 1800 | 2500 | 3200 | 4100 | 5100 | 6300 | 7500 |
The Stainless Steel Ribbon Mixer for Yogurt Powder has wide adaptability, compatible with various forms of materials for uniform mixing. It can handle various food-grade powders and granular raw materials, and can also be mixed simultaneously with liquid additives to meet the multi-component formulation needs of yogurt powder. The equipment's gentle mixing does not damage the material's properties, enabling high-speed solid-solid and solid-liquid mixing.

Powdered Materials: Whether it's main raw materials like yogurt powder base, skim milk powder, or whole milk powder, or auxiliary powders like whey powder and maltodextrin, all can be uniformly mixed using this equipment. Its low-shear design protects the original properties of the powdered materials, preventing clumping or nutrient loss due to excessive stirring.
Granular Materials: Perfectly compatible with commonly used granular additives in yogurt powder production. Examples include granulated probiotics, granulated sugar, and dietary fiber granules. The equipment can flexibly adjust the stirring speed according to differences in particle size and density.
Liquid Materials: Suitable for adding and mixing various liquid additives. For example, flavorings, emulsifier solutions, and nutrient solutions required in yogurt powder production can be evenly sprayed into the drum through the equipment's spray system. Under the rapid stirring of the spiral ribbon, they are fully integrated with dry powders and granular materials, achieving solid-liquid mixing.
The Stainless Steel Ribbon Mixer for Yogurt Powder emphasizes meticulous design in every detail. The entire machine is constructed from food-grade stainless steel, meeting dairy hygiene standards. The ribbon precisely adheres to the cylinder, leaving no residue. The transmission system is stable and noise-reducing, making feeding and discharging convenient and labor-saving. The control system is simple and easy to operate, and non-standard customization is available to meet specific needs, balancing practicality and adaptability.

Drive Unit: Features high torque, high reliability, and low noise. For larger equipment, a combination of gear reducer and belt drive is used to protect transmission components in case of accidents.
Flexible Detachable Ribbon Spindle: The ribbon spindle connects to the drive shaft flange, facilitating quick disassembly for maintenance or shaft replacement. Inlet: Can be designed as fully open, semi-open, or fully sealed. The fully open design is suitable for applications requiring high cleanliness and is supported by a gas spring for convenient and safe operation.
Drain Valve: Typically a pneumatic tilting valve. The arc-shaped valve is tightly embedded in the cylinder, flush with the inner wall, preventing material accumulation and mixing dead zones.
Heating/Cooling Jacket: Various types of jackets can be installed on the mixer's outer shell. Cold or hot media are injected into the jacket to cool or heat the material.
A large Singaporean dairy company, specializing in yogurt powder production for many years, introduced Dahan Machinery's stainless steel ribbon mixer for yogurt powder, completely solving the problems of uneven mixing and high residue levels in the original equipment. Their production line flow is as follows: raw material screening → powder and granular raw material input into the mixer → liquid additive spraying → equipment start-up and mixing → discharge after mixing → subsequent drying and packaging. This equipment is suitable for their 2-ton-per-hour production capacity requirement, improving mixing uniformity to 99.9% and reducing material residue to below 0.5%. This not only reduces raw material waste but also shortens mixing time, gradually improving the efficiency of the entire production line.

Dahan Machinery specializes in the R&D, production, and sales of stainless steel ribbon mixers. With years of experience in the food processing equipment field, we possess mature production technology and a comprehensive service system. All our equipment is made of food-grade stainless steel, strictly adhering to food industry hygiene standards, ensuring reliable quality and stable performance. Leveraging our professional R&D team, we support non-standard customization services, tailoring equipment specifications and parameters to meet specific customer needs regarding capacity, factory space, and process requirements. We also provide one-stop services including pre-sales selection, commissioning, and after-sales technical training, helping customers optimize their production lines and improve production efficiency and product quality.

Our Stainless Steel Ribbon Mixer for Yogurt Powder, with its core advantages of high speed, uniformity, and hygiene, has become a core piece of equipment for yogurt powder production. It is suitable for mixing various materials such as powders, granules, and liquids, featuring a reasonable structure and convenient operation.
Address:China,Yanjin county forest park gate to the west 1000 meters north road.